Ref # | Current Part Nbr |
Description | Superceded From |
Status | Notes | List Price |
Online Price |
Quan Used |
Order Quan |
---|---|---|---|---|---|---|---|---|---|
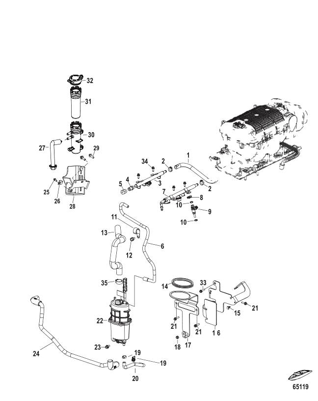
1 | 8M0105309 | HOSE Balance | ACT | $122.92 | $115.76 | 1 | |||
2 | 8M6002226 | CLAMP | ACT | $11.80 | $11.51 | 2 | |||
3 | 8M0085006 | FUEL RAIL Starboard | ACT |
![]() |
$239.58 | $225.62 | 1 | ||
4 | 8M0044726 | ----VALVE ASSEMBLY | ACT | $50.17 | $48.26 | 1 | |||
5 | 8M0046566 | ----CAP | ACT | $4.70 | $4.59 | 1 | |||
NS | 8M0104958 | SPACER Injector Orientation For Starboard Rail | ACT |
![]() |
$4.00 | $3.91 | 1 | ||
6 | 8M0117379 | HOSE Fuel Regulator to Induction Plenum | 8M0086334 | SS |
![]() |
$34.58 | $33.96 | 1 | |
7 | 8M0085005 | FUEL RAIL Port | ACT | $238.75 | $224.84 | 1 | |||
8 | 8M2001570 | CLIP | ACT | $17.70 | $17.26 | 8 | |||
9 | 8M6002428 | FUEL INJECTOR | ACT |
![]() |
$198.04 | $186.49 | 8 | ||
10 | 879150A09 | ----SEAL KIT | ACT | $207.92 | $195.80 | 4 | |||
11 | 97224 | J CLIP | ACT | $10.00 | $9.76 | 1 | |||
12 | 81893414 | SCREW (M8 x 14) | ACT | $3.40 | $3.32 | 1 | |||
13 | 8M0110661 | FUEL HOSE Fuel Supply Module to Fuel Rail | 8M0099670 | SS |
![]() |
$72.17 | $69.41 | 1 | |
14 | 8M0037209 | GROMMET FSM Retainer | ACT | $4.60 | $4.49 | 1 | |||
15 | 879962 | CLIP | ACT | $2.00 | $1.96 | 1 | |||
16 | 8M0102904 | BRACKET | 8M0095470 | SS |
![]() |
$61.00 | $58.67 | 1 | |
17 | 8M0104920 | BRACKET | 8M0086453 | SS |
![]() |
$23.66 | $23.24 | 1 | |
18 | 65567 | WASHER (.265 x .750 x .04 | ACT | $2.90 | $2.83 | 1 | |||
19 | 815504105 | CLAMP Worm Gear (11-18 mm) | ACT | $0.00 | $0.00 | 2 | |||
20 | 8M0087404 | HOSE Fuel Module to Water Strainer | ACT | $7.50 | $7.32 | 1 | |||
21 | 88552616 | SCREW (M8 x 16) | ACT | $2.60 | $2.54 | 3 | |||
22 | 8M0158586 | FUEL SUPPLY MODULE Dual Pump | 8M0057676 | SS |
![]() |
$1,069.64 | $980.57 | 1 | |
23 | 8M0103807 | SCREW (M6 x 25 MM) Stainl | 88552525 | SS |
![]() |
$2.39 | $2.33 | 1 | |
24 | 8M0203771 | LINE ASSEMBLY Fuel Filter to Fuel Module | 8M0043463 | SS |
![]() |
$240.50 | $226.48 | 1 | |
25 | 88552514 | SCREW (M6 x 14 MM) Stainless Steel | ACT | $4.10 | $4.00 | 1 | |||
26 | 633001 | CLAMP | NLA |
![]() |
$0.00 | $0.00 | 1 | ||
27 | 8M0088717 | HOSE ASSEMBLY To Fuel Tank | ACT | $98.67 | $94.90 | 1 | |||
28 | 8M0109593 | BRACKET | ACT | $53.50 | $51.46 | 1 | |||
29 | 4010725 | SCREW (M8 x 25) | ACT | $5.80 | $5.66 | 2 | |||
30 | 8M0062950 | FILTER ASSEMBLY | ACT |
![]() |
$144.17 | $135.77 | 1 | ||
31 | 8M0122423 | ----FILTER Fuel | 8M0060041 | SS |
![]() |
$41.49 | $40.75 | 1 | |
32 | 8M0086839 | CAP | ACT | $5.90 | $5.76 | 1 | |||
NS | 830797A01 | CONNECTOR ASSEMBLY Weather Cap - 2 Pin Female | ACT | $5.01 | $4.90 | 1 | |||
33 | 8M0083541 | SCREW (M10 x 16) | ACT | $7.59 | $7.42 | 1 | |||
34 | 8M0103805 | SCREW (M6 x 16 MM) Stainl | 88552516 | SS |
![]() |
$2.50 | $2.44 | 4 | |
35 | 815504244 | CLAMP Worm Gear | ACT | $11.10 | $10.83 | 1 |