| Ref # | Current Part Nbr |
Description | Superceded From |
Status | Notes | List Price |
Online Price |
Quan Used |
Order Quan |
|---|---|---|---|---|---|---|---|---|---|
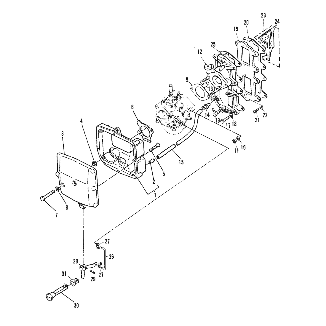
| 1 | 94485M | COVER, INNER | NLA |
|
$0.00 | $0.00 | 1 | ||
| 2 | 94716M | --FITTING | 80756M | SS |
|
$0.00 | $0.00 | 1 | |
| 3 | 94486M | COVER | NLA |
|
$0.00 | $0.00 | 1 | ||
| 4 | 94487M | COLLAR | NLA |
|
$0.00 | $0.00 | 2 | ||
| 5 | 94488M | SCREW | NLA |
|
$0.00 | $0.00 | 7 | ||
| 6 | 94489M | GASKET | NLA |
|
$0.00 | $0.00 | 1 | ||
| 7 | 84657M | BOLT | 94490M | SS |
|
$0.00 | $0.00 | 2 | |
| 8 | 82213M | WASHER | NLA |
|
$0.00 | $0.00 | 2 | ||
| 9 | 835082001 | GASKET | 83352M | SS |
|
$0.00 | $0.00 | 1 | |
| 10 | 82212M | WASHER | 82197M | SS |
|
$1.10 | $1.08 | 2 | |
| 11 | 82389M | NUT | 82380M | SS |
|
$0.00 | $0.00 | 2 | |
| 12 | 94491M | MANIFOLD, INTAKE | NLA |
|
$0.00 | $0.00 | 1 | ||
| 13 | 80727M | --VALVE, CHECK | NLA |
|
$0.00 | $0.00 | 2 | ||
| 14 | 94492M | --FITTING | NLA |
|
$0.00 | $0.00 | 1 | ||
| 15 | 82012M | HOSE | 82006M | SS |
|
$0.00 | $0.00 | 1 | |
| 16 | 811028M | STUD | 81728M | SS |
|
$0.00 | $0.00 | 2 | |
| 17 | 82405M | BOLT | NLA |
|
$4.61 | $4.49 | 8 | ||
| 18 | 82212M | WASHER, LOCK | 82197M | SS |
|
$1.10 | $1.08 | 8 | |
| 19 | 83354M | MANIFOLD, INTAKE | NLA |
|
$0.00 | $0.00 | 1 | ||
| 20 | 83355 | GASKET | 83355M | SS |
|
$0.00 | $0.00 | 1 | |
| 21 | 83356M | SCREW | NLA |
|
$0.00 | $0.00 | 4 | ||
| 22 | 82186M | WASHER, LOCK | 82193M | SS |
|
$0.00 | $0.00 | 4 | |
| 23 | 94493M | REED VALVE ASS'Y | NLA |
|
$0.00 | $0.00 | 2 | ||
| 24 | 84954M | --REED SET (REED STOPS NOT INCLUDED) | NLA |
|
$0.00 | $0.00 | 1 | ||
| 25 | 83360M | GASKET | NLA |
|
$0.00 | $0.00 | 1 | ||
| 26 | 83358M | ROD, CHOKE | NLA |
|
$0.00 | $0.00 | 1 | ||
| 27 | 16333 | RETAINER, CHOKE LEVER | 81191M | SS |
|
$7.09 | $6.93 | 1 | |
| 28 | 94494M | LEVER, CHOKE | NLA |
|
$0.00 | $0.00 | 1 | ||
| 29 | 82156M | PIN, ROLL | NLA |
|
$0.00 | $0.00 | 1 | ||
| 30 | 83960M | KNOB, CHOKE | NLA |
|
$0.00 | $0.00 | 1 | ||
| 31 | 84760M | GROMMET | NLA |
|
$0.00 | $0.00 | 1 |