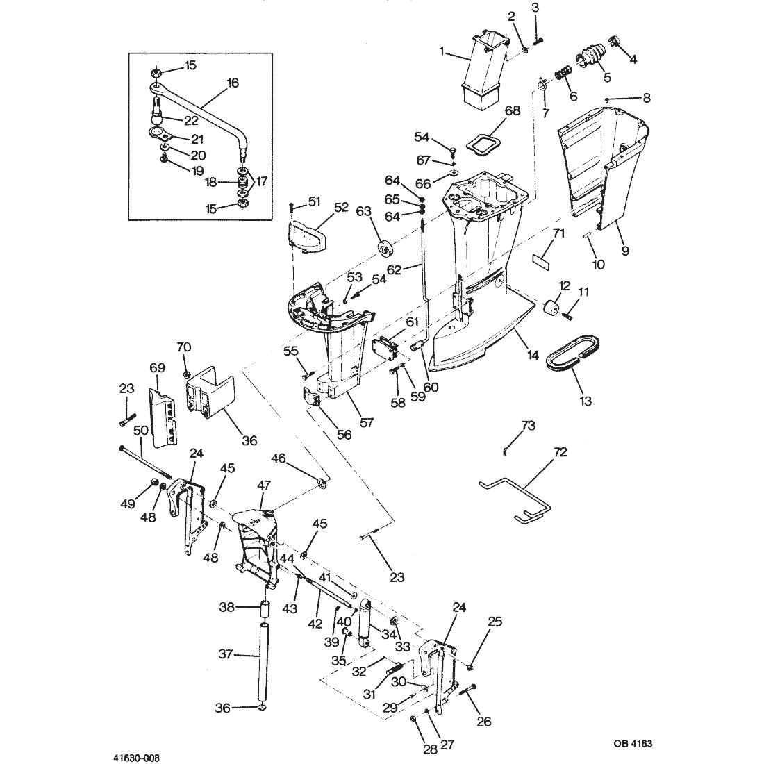
| Ref # | Current Part Nbr |
Description | Superceded From |
Status | Notes | List Price |
Online Price |
Quan Used |
Order Quan |
|---|---|---|---|---|---|---|---|---|---|
| 1 | F85660-1 | EXHAUST TUBE | NLA |
|
$0.00 | $0.00 | 1 | ||
| 2 | 26992 | SPRING LOCKWASHER | F8083 | SS |
|
$1.20 | $1.18 | 4 | |
| 3 | 28636 | HEX SLOT HD SCREW, 1/4 - 20 X 3/4 | F1864 | SS |
|
$1.80 | $1.76 | 4 | |
| 4 | 816513 | INSERT | F85258 | SS |
|
$0.00 | $0.00 | 1 | |
| 5 | 895012A01 | BOOT IDLE EXHAUST | F85130 | SS |
|
$25.49 | $24.96 | 1 | |
| 6 | F85380 | SPRING | ACT | $5.09 | $4.98 | 1 | |||
| 7 | F85772 | CLAMP | NLA |
|
$0.00 | $0.00 | 1 | ||
| 8 | F1729 | PLUG | NLA |
|
$0.00 | $0.00 | 2 | ||
| 9 | 817931A7 | MOTOR LEG COVER REAR | F178145-4 | SS |
|
$0.00 | $0.00 | 1 | |
| 10 | F1664 | SPRING PIN | NLA |
|
$0.00 | $0.00 | 2 | ||
| 11 | F1263 | HEX SOCKET HD CAP SCREWS, 5/16 - 18 X 9/16 | NLA |
|
$0.00 | $0.00 | 2 | ||
| 12 | F438962 | SHOCK MOUNT LOWER REAR | NLA |
|
$0.00 | $0.00 | 2 | ||
| 13 | F178323 | SEAL, MOTOR LEG | NLA |
|
$0.00 | $0.00 | 1 | ||
| 14 | 819432A2 | MOTOR LEG (20 INCH MODELS) | F523133-2 | SS |
|
$0.00 | $0.00 | 1 | |
| - | 819433A2 | MOTOR LEG (25 INCH MODELS) | F500133 | SS |
|
$0.00 | $0.00 | 1 | |
| 15 | 8M0204726 | STOP NUT, 3/8 - 24 | F2093 | SS |
|
$1.80 | $1.76 | 2 | |
| 17 | 37828 | PLAIN WASHER | F8038 | SS |
|
$0.80 | $0.79 | 2 | |
| 18 | F523300-1 | SPRING | NLA |
|
$0.00 | $0.00 | 1 | ||
| 19 | 8M0129582 | PAN HD SCREW, 8 - 32 X 1/4 | F1280 | SS |
|
$0.61 | $0.60 | 1 | |
| 20 | 26995 | SPRING LOCKWASHER | F8080 | SS |
|
$1.10 | $1.08 | 1 | |
| 21 | F523930 | RETAINER | NLA |
|
$0.00 | $0.00 | 1 | ||
| 22 | F523273 | STEERING BALL STUD | NLA |
|
$0.00 | $0.00 | 1 | ||
| 23 | 69267 | HEX BOLT, 5/16 - 18 X 1-3/4 | F1696 | SS |
|
$1.90 | $1.86 | 8 | |
| 24 | 817958A6 | STERN BRACKET | NLA |
|
$0.00 | $0.00 | 2 | ||
| 25 | 898832 | STOP NUT | F7012 | SS |
|
$3.69 | $3.59 | 1 | |
| 26 | F2185 | HEX HD SCREW, 3/8 - 16 X 3 | F2125 | SS |
|
$10.71 | $10.46 | 2 | |
| 27 | F1904 | PLAIN WASHER | NLA |
|
$0.00 | $0.00 | 2 | ||
| 28 | 8M0204671 | HEX NUT | F1346 | SS |
|
$2.79 | $2.72 | 2 | |
| 29 | F353480 | STUD | NLA |
|
$0.00 | $0.00 | 2 | ||
| 30 | F84074 | CLAMP SCREW FOOT | NLA |
|
$5.93 | $5.78 | 2 | ||
| 31 | FA628073 | CLAMP SCREW | F474073-1 | SS |
|
$0.00 | $0.00 | 2 | |
| 32 | F8538 | SPRING PIN | NLA |
|
$0.00 | $0.00 | 2 | ||
| 33 | F1710 | PLAIN WASHER | NLA |
|
$0.00 | $0.00 | 2 | ||
| 34 | FS719962 | SHOCK ABSORBER W/BUSHING - 178344 | FA178962 | SS |
|
$0.00 | $0.00 | 1 | |
| 35 | F449362 | BEARING | ACT | $9.89 | $9.66 | 2 | |||
| 36 | F631707F | COVER SHOCK MT. LOWER (25 INCH MODELS) | F631707 | SS |
|
$0.00 | $0.00 | 1 | |
| 37 | FS85019 | KINGPIN (20 INCH MODELS) | NLA |
|
$36.27 | $35.62 | 1 | ||
| - | FA500019 | KINGPIN (25 INCH MODELS) | NLA |
|
$0.00 | $0.00 | 1 | ||
| 38 | 819493 | BEARING | F438169 | SS |
|
$0.00 | $0.00 | 2 | |
| 39 | F523274 | GREASE FITTING | NLA |
|
$0.00 | $0.00 | 1 | ||
| 40 | F9052 | PLUG | NLA |
|
$0.00 | $0.00 | 1 | ||
| 41 | F1711 | SPRING BOWED WASHER | NLA |
|
$0.00 | $0.00 | 2 | ||
| 42 | 818066A3 | TUBE, STEERING SUPPORT | F511125-2 | SS |
|
$0.00 | $0.00 | 1 | |
| 43 | F213274 | GREASE FITTING | NLA |
|
$1.94 | $1.90 | 3 | ||
| 44 | 48462 | SEAL, STEERING SUPPORT TUBE | F316599 | SS |
|
$1.80 | $1.76 | 1 | |
| 45 | F84286-1 | FRICTION WASHER | NLA |
|
$0.00 | $0.00 | 4 | ||
| 46 | F84011 | WASHER | NLA |
|
$0.00 | $0.00 | 1 | ||
| 47 | 817783A5 | SWIVEL BRACKET | NLA |
|
$0.00 | $0.00 | 1 | ||
| 48 | F523280 | NUT, STEERING SUPPORT TUBE | NLA |
|
$23.70 | $23.09 | 2 | ||
| 49 | F9018 | CAP | NLA |
|
$0.57 | $0.56 | 1 | ||
| 50 | F85037-1 | STERN BRACKET PIVOT BOLT | NLA |
|
$0.00 | $0.00 | 1 | ||
| 51 | F1912 | HEX HD SCREW, 10- 24 X 1/2 | NLA |
|
$0.00 | $0.00 | 4 | ||
| 52 | FK692779 | BAFFLE, AIR INTAKE | F85779-1 | SS |
|
$0.00 | $0.00 | 1 | |
| 53 | 35048 | SPRING LOCKWASHER | F1703 | SS |
|
$1.20 | $1.18 | 2 | |
| 54 | 98261 | HEX HD SCREW, 3/8 - 16 X 3/4 | F1871 | SS |
|
$1.20 | $1.18 | 4 | |
| 55 | F2030 | HEX HD SCREW, 1/4 - 20 X 1-1/4 | ACT | $3.39 | $3.30 | 6 | |||
| 56 | FK85606 | KINGPIN CAP (20 INCH MODELS) | F85606 | SS |
|
$0.00 | $0.00 | 1 | |
| 57 | FK719135F | LEG COVER FRONT | FA85135-4 | SS |
|
$0.00 | $0.00 | 1 | |
| 58 | 28782 | HEX BOLT, 5/16 - 18 X 7/8 | F1822 | SS |
|
$2.99 | $2.92 | 4 | |
| 59 | 53166 | SPRING LOCKWASHER | F8096 | SS |
|
$1.80 | $1.76 | 4 | |
| 60 | F85704 | COUPLER, GEAR SHIFT ROD | NLA |
|
$0.00 | $0.00 | 1 | ||
| 61 | 803714T | SHOCK MOUNT LOWER | F438346 | SS |
|
$0.00 | $0.00 | 1 | |
| 62 | F85615-1 | GEAR SHIFT ROD UPPER (20 INCH MODELS) | NLA |
|
$0.00 | $0.00 | 1 | ||
| - | F500615-2 | GEAR SHIFT ROD UPPER (25 INCH MODELS) | F500615 | SS |
|
$0.00 | $0.00 | 1 | |
| 63 | F85965 | SHOCK MOUNT UPPER | NLA |
|
$0.00 | $0.00 | 2 | ||
| 64 | F2108 | LOCK NUT | NLA |
|
$0.00 | $0.00 | 2 | ||
| 65 | 34437 | PLAIN WASHER | F1987 | SS |
|
$2.89 | $2.82 | 1 | |
| 66 | FA85355-1 | WASHER (SET OF 2 SHOCK MOUNT WASHERS) | NLA |
|
$3.45 | $3.36 | 2 | ||
| 67 | 34931 | PLAIN WASHER | F2014 | SS |
|
$2.59 | $2.53 | 2 | |
| 68 | F439736 | SEAL, EXHAUST TUBE | NLA |
|
$0.00 | $0.00 | 1 | ||
| 69 | FK631606 | KINGPIN CAP (25 INCH MODELS) | F631606 | SS |
|
$0.00 | $0.00 | 1 | |
| 70 | 8M0204668 | HEX NUT 5/16 - 18 | F1515 | SS |
|
$3.79 | $3.69 | 4 | |
| 71 | F598387 | DECAL, POWER FLOW | NLA |
|
$0.00 | $0.00 | 1 | ||
| 72 | 819504A2 | TRAILERING BRACKET | F5H179 | SS |
|
$0.00 | $0.00 | 1 | |
| 73 | F525629 | PIN, COTTER | NLA |
|
$1.70 | $1.66 | 1 |