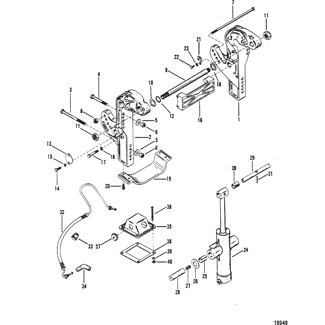
| Ref # | Current Part Nbr |
Description | Superceded From |
Status | Notes | List Price |
Online Price |
Quan Used |
Order Quan |
|---|---|---|---|---|---|---|---|---|---|
| 1 | 7476T1 | BRACKET, Transom | NLA |
|
$0.00 | $0.00 | 1 | ||
| 2 | 7478T1 | BRACKET, Transom | NLA |
|
$0.00 | $0.00 | 1 | ||
| 1 | 7476T6 | BRACKET, Transom | NLA |
|
$0.00 | $0.00 | 1 | ||
| 2 | 7478T6 | BRACKET, Transom | NLA |
|
$0.00 | $0.00 | 1 | ||
| 3 | 677552 | SCREW, (.500-20 x 6.500) | ACT | $28.19 | $27.66 | 2 | |||
| 4 | 8M0149747 | SCREW, (.500-20 x 4.500) | 677551 | SS |
|
$18.19 | $17.75 | 2 | |
| 5 | 8M0204648 | WASHER, (1.5 x 3.05 x 0.13) Stainless Steel | 28421 | SS |
|
$3.99 | $3.91 | 4 | |
| 6 | 35000 | NUT, (.500-20) Stainless Steel | ACT | $14.59 | $14.24 | 4 | |||
| 7 | 87180 | BOLT, (.500-20 x 11.00) | ACT | $62.99 | $60.36 | 1 | |||
| 8 | 82671317 | NUT, (.500-20) | 20220 | SS |
|
$3.79 | $3.69 | 1 | |
| 9 | 826125A1 | TILT TUBE | 99170A1 | SS |
|
$287.49 | $270.74 | 1 | |
| 10 | 88750 | WASHER | ACT | $6.79 | $6.64 | 2 | |||
| 11 | 858869 | NUT, (.875-14) | 56041 | SS |
|
$4.99 | $4.88 | 1 | |
| 11 | 82671327 | NUT | 90068T | SS |
|
$9.89 | $9.66 | 1 | |
| 11 | 82671327 | NUT | 90068T6 | SS |
|
$9.89 | $9.66 | 1 | |
| 12 | 45711 | O-RING, (.612 x .103) | ACT | $1.80 | $1.76 | 1 | |||
| 13 | 85026T | PLATE | 85026 | SS |
|
$49.99 | $48.94 | 2 | |
| 14 | 28636 | SCREW, (.250-20 x .750) | ACT | $1.80 | $1.76 | 4 | |||
| 15 | 8M0204649 | WASHER, (.281 x .500 x .060) Stainless Steel | 29245 | SS |
|
$1.20 | $1.18 | 1 | |
| 16 | 8M0237541 | SPACER | 85035T | SS |
|
$173.49 | $163.23 | 1 | |
| 17 | 70732 | SCREW, (.250-20 x 2.00) | ACT | $3.69 | $3.59 | 4 | |||
| 18 | 8M0204649 | WASHER, (.281 x .500 x .060) Stainless Steel | 29245 | SS |
|
$1.20 | $1.18 | 4 | |
| 19 | 89949A1 | PLATE ASSEMBLY | ACT |
|
$89.49 | $86.01 | 1 | ||
| 20 | 90192 | --SCREW, (.250-20 x .875) | 89996 | SS |
|
$1.80 | $1.76 | 4 | |
| 21 | 88512 | CLAMP | ACT | $7.49 | $7.32 | 4 | |||
| 22 | 88829 | SCREW, (#10-24 x .500) | ACT | $1.90 | $1.86 | 4 | |||
| 23 | 26996 | LOCKWASHER, (#10) Stainless Steel | ACT | $1.20 | $1.18 | 4 | |||
| 24 | 79610A6 | TRIM CYLINDER ASSEMBLY | NLA |
|
$0.00 | $0.00 | 1 | ||
| 25 | 86489 | --BUSHING | NLA |
|
$0.00 | $0.00 | 2 | ||
| - | 79879A1 | REPAIR KIT | ACT | $138.99 | $130.82 | 1 | |||
| 26 | 85022 | WASHER | ACT | $6.79 | $6.64 | 2 | |||
| 27 | 30316 | SPRING | ACT | $9.09 | $8.88 | 2 | |||
| 28 | 85020T | PIN, Pivot | 85020 | SS |
|
$68.26 | $66.26 | 2 | |
| 29 | 85024 | SHAFT | NLA |
|
$0.00 | $0.00 | 1 | ||
| 30 | 86637 | BEARING | ACT | $40.49 | $39.67 | 2 | |||
| 31 | 91862 | PIN | NLA |
|
$0.00 | $0.00 | 1 | ||
| 32 | 89024A1 | HOSE | ACT |
|
$365.49 | $349.30 | 1 | ||
| 32 | 89023A2 | HOSE | ACT |
|
$360.99 | $345.00 | 1 | ||
| 33 | 12602002 | --GROMMET | 12602 | SS |
|
$4.59 | $4.49 | 2 | |
| 34 | 87207 | CONNECTOR | NLA |
|
$0.00 | $0.00 | 1 | ||
| 35 | 87871T | COVER | 87871 | SS |
|
$19.89 | $19.41 | 1 | |
| 36 | 87775 | GASKET | ACT | $10.89 | $10.63 | 1 | |||
| 37 | 45507 | GROMMET | ACT | $4.49 | $4.39 | 1 | |||
| 38 | 36070 | SCREW, (#10-32 x 1.250) | NLA |
|
$9.07 | $8.86 | 4 | ||
| 38 | 32866 | SCREW, (#10-32 x 2.00) Stainless Steel | ACT | $1.70 | $1.66 | 4 | |||
| 39 | 26996 | LOCKWASHER, (#10) Stainless Steel | ACT | $1.20 | $1.18 | 4 | |||
| 40 | 68219 | NUT, (#10-32) Stainless Steel | ACT | $2.99 | $2.92 | 4 |