| Ref # | Current Part Nbr |
Description | Superceded From |
Status | Notes | List Price |
Online Price |
Quan Used |
Order Quan |
|---|---|---|---|---|---|---|---|---|---|
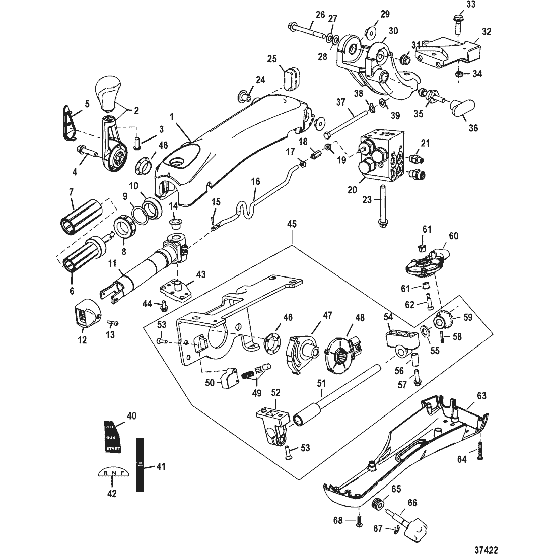
| - | 879291A03 | TILLER HANDLE ASSEMBLY, Big Tiller - DTS/Power Steering | NLA |
|
$0.00 | $0.00 | 1 | ||
| 1 | 8M0144799 | --HOUSING, Steering Handle, Upper | 879346T18 | NLA |
|
$263.08 | $247.70 | 1 | |
| - | 8M0032728 | ----DECAL, Lanyard, Black | ACT | $0.30 | $0.30 | 1 | |||
| 2 | 879346A01 | --SHIFT HANDLE ASSEMBLY | ACT |
|
$62.84 | $60.44 | 1 | ||
| 3 | 40011130 | ----SCREW, (M6 x 30) Stainless Steel | ACT | $3.20 | $3.13 | 1 | |||
| 4 | 8M0103813 | ----SCREW, (M8 x 30) | 88552630 | SS |
|
$4.10 | $4.00 | 1 | |
| 5 | 879346T15 | --COVER, Shift Handle-Mercury | ACT | $24.53 | $24.09 | 1 | |||
| 6 | 8M0165596 | --THROTTLE GRIP ASSEMBLY | 879346T05 | SS |
|
$165.09 | $155.48 | 1 | |
| 7 | 879346T06 | ----GRIP, Rubber | ACT | $13.03 | $12.80 | 1 | |||
| 8 | 8M0034107 | --NUT | ACT | $8.90 | $8.68 | 1 | |||
| 9 | 8M0024573 | --WASHER | ACT | $2.57 | $2.53 | 1 | |||
| 10 | 8M0022037 | --GROMMET | ACT | $4.12 | $4.03 | 1 | |||
| 11 | 879346T08 | --CHASSIS, Throttle Grip | ACT | $98.39 | $94.63 | 1 | |||
| 12 | 8M0030401 | -- CAP, Handle Trim Switch | ACT | $9.17 | $8.99 | 1 | |||
| 13 | 4005685 | --SCREW, (M4 x 10) | ACT | $1.79 | $1.76 | 2 | |||
| 14 | 8M0021535 | --BUSHING | ACT | $2.57 | $2.53 | 2 | |||
| 15 | 86724 | --PIN | ACT | $6.00 | $5.86 | 1 | |||
| 16 | 879346T09 | --LINK ROD | ACT | $13.64 | $13.39 | 1 | |||
| 17 | 8M0022092 | --NUT, (.250-28, Left Hand) | NLA |
|
$0.00 | $0.00 | 1 | ||
| 18 | 8M0020939 | --TURNBUCKLE | NLA |
|
$0.00 | $0.00 | 1 | ||
| 19 | F2015 | --NUT, (.250-28) Stainless Steel | ACT | $2.39 | $2.33 | 1 | |||
| 20 | 879346T07 | --MANIFOLD ASSEMBLY | ACT |
|
$853.38 | $786.50 | 1 | ||
| 21 | 892519 | ----FITTING, (9/16 -18) Straight (Stainless Steel) | ACT | $24.75 | $24.32 | 2 | |||
| 22 | 8M0161199 | ----FITTING, (11/16 - 16)Straight (Stainless Steel) | 8M0033226 | SS |
|
$89.33 | $85.93 | 2 | |
| 23 | 8M0103818 | --SCREW, (M8 x 75) | 88552675 | SS |
|
$4.70 | $4.59 | 1 | |
| 24 | 8M0035136 | --BUSHING | ACT | $5.55 | $5.46 | 2 | |||
| 25 | 8M0045301 | --GROMMET | 8M0011098 | SS |
|
$11.29 | $11.08 | 1 | |
| 26 | 823567105 | --SCREW, (M10 x 105) Hex Flange - Stainless Steel | ACT | $11.60 | $11.32 | 1 | |||
| 27 | 4002319 | --WASHER | ACT | $3.20 | $3.13 | 1 | |||
| 28 | 12024 | --WASHER, (.402 x .787 x .039 Bellevi) | ACT | $5.90 | $5.76 | 1 | |||
| 29 | 8M0031370 | --BUSHING | ACT | $17.48 | $17.14 | 1 | |||
| 30 | 879346T13 | --BRACKET | ACT | $96.82 | $93.14 | 1 | |||
| 31 | 826292 | --NUT, (M10) Brass/Nickel Plated | ACT | $4.20 | $4.10 | 1 | |||
| 32 | 879346T14 | --ADAPTER PLATE | ACT | $201.50 | $189.77 | 1 | |||
| 33 | 8M0214980 | --SCREW, (.375-24 x 1.38) | 875273138 | SS |
|
$30.92 | $30.36 | 2 | |
| 34 | 8M0204726 | --NUT, (.375-24) Stainless Steel | 826709113 | SS |
|
$1.80 | $1.76 | 2 | |
| 35 | 879346T12 | --TILT LOCK ASSEMBLY | ACT | $51.57 | $49.62 | 1 | |||
| 36 | 879346T11 | --HANDLE | ACT | $7.69 | $7.52 | 1 | |||
| 37 | 8M0028288 | --SCREW, (.312-24HX HD Cap X 5.0) | ACT | $4.71 | $4.61 | 2 | |||
| 38 | 42981 | --TAB WASHER | ACT | $7.40 | $7.22 | 2 | |||
| 39 | 34437 | --WASHER | ACT | $2.90 | $2.83 | 2 | |||
| 40 | 8M0033313 | --DECAL, On-Off-Start | ACT | $3.48 | $3.43 | 1 | |||
| 41 | 8M0029029 | --DECAL, Throttle | ACT | $9.84 | $9.64 | 1 | |||
| 42 | 8M0029030 | --DECAL, R-N-F | ACT | $2.18 | $2.14 | 1 | |||
| 43 | 879346T16 | --BEARING CAP | ACT | $43.84 | $43.68 | 1 | |||
| 44 | 88552514 | --SCREW, (M6 x 14 MM) Stainless Steel | ACT | $4.10 | $4.00 | 3 | |||
| 45 | 879347T09 | --THROTTLE / SHIFT BRACKET ASSEMBLY | NLA |
|
$0.00 | $0.00 | 1 | ||
| 46 | 8M0022826 | ----BUSHING | ACT | $9.84 | $9.64 | 2 | |||
| 47 | 879346T21 | ----SHIFT SHAFT | NLA |
|
$0.00 | $0.00 | 1 | ||
| 48 | 877736 | ----SENSOR, Throttle/Shift | ACT | $167.12 | $157.07 | 1 | |||
| 49 | 879347A08 | ----SPRING AND GUIDE KIT | ACT | $26.71 | $26.24 | 1 | |||
| 50 | 8M0028323 | ----RETAINER | ACT | $50.53 | $48.38 | 1 | |||
| 51 | NSS | ----NOT SOLD SEPARATE, Throttle Shaft |
|
$0.00 | $0.00 | 1 | |||
| 52 | 8M4501323 | ----BLOCK, Friction | 8M0035550 | SS |
|
$11.48 | $11.26 | 1 | |
| 53 | 8M0031550 | ----SCREW, (M4 x 0.7 x 16) | NLA |
|
$0.00 | $0.00 | 3 | ||
| 54 | 8M0027443 | ----PILLOW BLOCK | ACT | $5.83 | $5.72 | 1 | |||
| 55 | 8M0028540 | ----SHIM, (.005) | NLA |
|
$0.00 | $0.00 | AR | ||
| 55 | 8M0028541 | ----SHIM, (.010) | NLA |
|
$0.00 | $0.00 | AR | ||
| 55 | 8M0028542 | ----SHIM, (.020) | NLA |
|
$0.00 | $0.00 | AR | ||
| 55 | 8M0028543 | ----SHIM, (.040) | NLA |
|
$0.00 | $0.00 | AR | ||
| 56 | 8M0028294 | ----BUSHING | NLA |
|
$0.00 | $0.00 | 2 | ||
| 57 | 8M0103808 | ----SCREW, (M6 x 30 MM) Stainless Steel | 88552530 | SS |
|
$2.81 | $2.75 | 2 | |
| 58 | 8M0028305 | ----PIN | NLA |
|
$0.00 | $0.00 | 1 | ||
| 59 | 879346T22 | ----PINION GEAR | NLA |
|
$0.00 | $0.00 | 1 | ||
| 60 | 879347T10 | --GEAR AND SENSOR ASSEMBLY | ACT |
|
$196.22 | $184.78 | 1 | ||
| 61 | 8M0032333 | ----BUSHING | ACT | $3.53 | $3.47 | 2 | |||
| 62 | 8M0029514 | --SHOULDER SCREW, (M6) | NLA |
|
$0.00 | $0.00 | 1 | ||
| 63 | 879346T04 | --COVER, Steering Handle, Lower | ACT | $55.15 | $53.08 | 1 | |||
| 64 | 4001991 | --SCREW, (M4 x 35) | ACT | $2.91 | $2.85 | 2 | |||
| 65 | 828249 | --GROMMET | ACT | $17.10 | $16.68 | 1 | |||
| 66 | 879346A03 | --THROTTLE FRICTION KNOB ASSEMBLY | ACT |
|
$53.24 | $51.22 | 1 | ||
| 67 | 29641 | ----E RING | ACT | $1.80 | $1.76 | 1 | |||
| 68 | 4001987 | --SCREW, (M4 x 16) | ACT | $1.80 | $1.76 | 6 | |||
| NS | 8M0146284 | INSTALLATION MANUAL, Big Tiller -Manual, Mechanical and DTS | 8M0093582 | SS |
|
$28.50 | $28.25 | 1 | |
| NS | 8M0063659 | OPERATION MANUAL, Big Tiller -Manual, Mechanical and DTS | ACT | $31.00 | $30.57 | 1 |