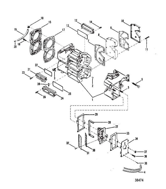
Ref # | Current Part Nbr |
Description | Superceded From |
Status | Notes | List Price |
Online Price |
Quan Used |
Order Quan |
---|---|---|---|---|---|---|---|---|---|
1 | 9533T38 | CYLINDER BLOCK ASSEMBLY | 9077A4 | SS/NLA |
![]() |
$0.00 | $0.00 | 1 | |
2 | 85171 | ----PIN Dowel CYLINDER BLOCK | ACT | $4.50 | $4.39 | 3 | |||
3 | 15133 | ----ELBOW BLEED HOSE (45 DEG.) | 71191 | SS |
![]() |
$21.17 | $20.79 | 2 | |
4 | 892024122 | ----TUBING (20.00 Feet Bulk) BLEED (12-1/4") | 99130122 | SS |
![]() |
$48.17 | $47.30 | 2 | |
5 | 429173 | ----STUD CARBURETOR | 42917 | SS/NLA |
![]() |
$0.00 | $0.00 | 2 | |
6 | 40001209 | SCREW (M10 x 60) CRANKCASE TO CYLINDER BLOCK | ACT | $3.30 | $3.22 | 6 | |||
7 | 892158 | GASKET EXHAUST MANIFOLD | 414751 | SS |
![]() |
$11.50 | $11.22 | 1 | |
8 | 92329 | MANIFOLD Exhaust | NLA |
![]() |
$0.00 | $0.00 | 1 | ||
9 | 414991 | GASKET SCHAUST COVER | ACT |
![]() |
$14.50 | $14.14 | 1 | ||
10 | 92330T | COVER ECHAUST | NLA |
![]() |
$0.00 | $0.00 | 1 | ||
11 | 4000333 | SCREW (M6 x 40) | ACT | $4.10 | $4.00 | 10 | |||
12 | 144071 | COVER TRANSFER PORT | 14407 | SS |
![]() |
$24.42 | $23.98 | 2 | |
13 | 822370 | O-RING TRANSFER PORT COVER | 30503 | SS |
![]() |
$4.20 | $4.10 | 2 | |
14 | 40057107 | SCREW (M5 x 16) COVER TO CYLINDER BLOCK | NLA |
![]() |
$0.00 | $0.00 | 4 | ||
15 | 8283A1 | COVER ASEMBLY CYLINDER BLOCK | NLA |
![]() |
$0.00 | $0.00 | 1 | ||
16 | 4000331 | ----SCREW (M6 x 30) COVER ATTACHING | ACT | $3.80 | $3.71 | 6 | |||
17 | 86389 | GASKET CYLINDER BLOCK COVER | ACT |
![]() |
$11.40 | $11.12 | 1 | ||
18 | 996642 | ELBOW TELL TALE HOSE | 99664 | SS |
![]() |
$2.70 | $2.64 | 1 | |
19 | 8M0108355 | HOSE TELL TALE (8") | 34395A1 | SS |
![]() |
$52.33 | $50.55 | 1 | |
20 | 94848 | FITTING TELL TALE HOSE - BOTTOM COWL | ACT | $4.80 | $4.69 | 1 | |||
21 | 14406 | COVER TRANSFER PORT | 92351 | SS/NLA |
![]() |
$0.00 | $0.00 | 2 | |
22 | 86391 | O-RING TRANSFER PORT COVER | ACT |
![]() |
$7.00 | $6.83 | 2 | ||
23 | 40057107 | SCREW (M5 x 16) COVER TO CYLINDER BLOCK | NLA |
![]() |
$0.00 | $0.00 | 6 | ||
24 | 92350 | COVER TRANSFER PORT | NLA |
![]() |
$0.00 | $0.00 | 2 | ||
25 | 8M0214925 | O-RING TRANSFER PORT COVER | 33465 | SS |
![]() |
$5.30 | $5.17 | 2 | |
26 | 40057107 | SCREW (M5 x 16) COVER TO CYLINDER BLOCK | NLA |
![]() |
$0.00 | $0.00 | 4 | ||
27 | 14112T | REED BLOCK | 42471 | SS |
![]() |
$155.33 | $146.28 | 1 | |
28 | 85977002 | SEAL Rubber REED BLOCK | 85977 | SS |
![]() |
$13.50 | $13.17 | 1 | |
29 | 414172 | GASKET REED BLOCK | 41417 | SS |
![]() |
$6.80 | $6.64 | 1 | |
30 | 816806 | REED | 99319 | SS/NLA |
![]() |
$0.00 | $0.00 | 2 | |
31 | 897931 | STOP Reed | 89793 | SS/NLA |
![]() |
$0.00 | $0.00 | 2 | |
32 | 4005785 | SCREW (M4 x 10) REED ATTACHING | ACT | $1.00 | $0.98 | 4 | |||
33 | 414181 | GASKET ADAPTOR PLATE | 41418 | SS |
![]() |
$5.20 | $5.08 | 1 | |
34 | 41420A3 | PLATE ADAPTOR - CARBURETOR | 41420A1 | SS |
![]() |
$108.67 | $102.34 | 1 | |
35 | 56759 | FITTING Barbed ADAPTOR PLATE - BLEED HOSE | ACT | $11.60 | $11.32 | 2 | |||
36 | 40019108 | SCREW (M5 x 20) PLATE TO REED BLOCK | 40057108 | SS/NLA |
![]() |
$0.00 | $0.00 | 3 | |
37 | 400213 | NUT (M8) Stainless Steel CARBURETOR STUD | ACT | $2.90 | $2.83 | 2 | |||
38 | 85577 | SEAL TRANSFER PORT COVER | F1646 | SS/NLA |
![]() |
$0.00 | $0.00 | 2 | |
- | 41499A88 | GASKET SET | 41499A87 | SS |
![]() |
$143.00 | $134.67 | 1 |