| Ref # | Current Part Nbr |
Description | Superceded From |
Status | Notes | List Price |
Online Price |
Quan Used |
Order Quan |
|---|---|---|---|---|---|---|---|---|---|
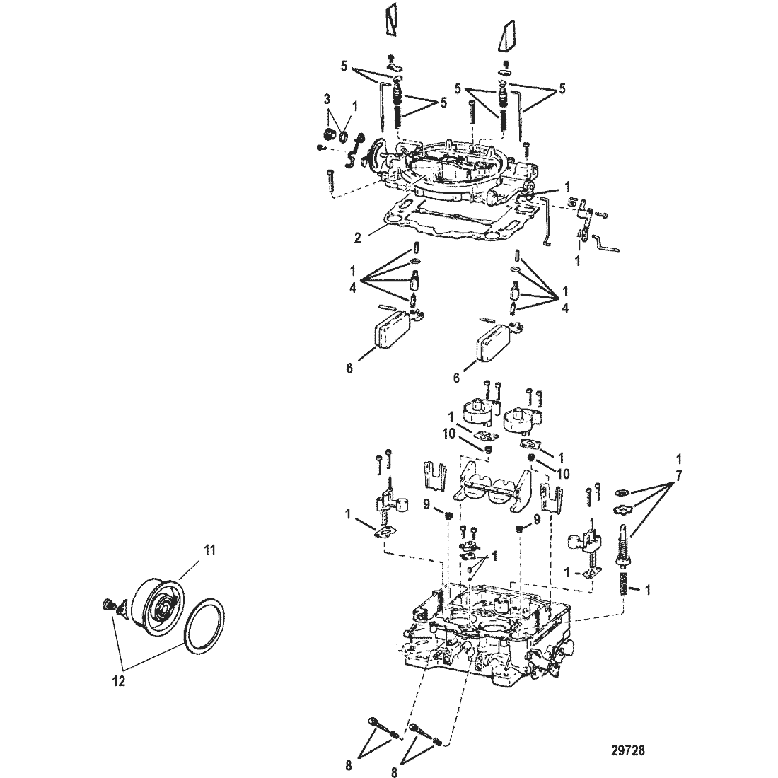
| - | 8M0047211 | CARBURETOR, 4 Barrel (Includes return line) | ACT |
|
$1,211.99 | $1,111.00 | 1 | ||
| 1 | 8M0120192 | --OVERHAUL KIT | 809065001 | NLA |
|
$161.99 | $152.56 | 1 | |
| 2 | 809077 | ----GASKET | ACT | $9.29 | $9.07 | 1 | |||
| 3 | 8M0070597 | --FITTING KIT, Inlet | 811533 | NLA |
|
$93.49 | $89.69 | 1 | |
| 4 | 8M0120189 | --NEEDLE/SEAT KIT, Inlet | 811534 | SS |
|
$19.29 | $18.91 | 2 | |
| 5 | 809768001 | --METERING ROD KIT | ACT | $164.99 | $155.31 | 1 | |||
| 6 | 8M0120190 | --FLOAT KIT | 811536 | SS |
|
$24.19 | $23.73 | 2 | |
| 7 | 8M0120191 | --PLUNGER KIT, Pump | 811537 | SS |
|
$47.49 | $46.65 | 1 | |
| 8 | 8M0154265 | --SCREW KIT, Idle Mixture | 811539 | SS |
|
$21.89 | $21.44 | 2 | |
| 9 | 809769 | --PRIMARY METERING JET | NLA |
|
$0.00 | $0.00 | 2 | ||
| 10 | 811657 | --JET, Metering - Secondary | NLA |
|
$0.00 | $0.00 | 2 | ||
| 11 | 8M0120194 | --REPAIR KIT, Electric Choke | 809066 | SS |
|
$161.49 | $151.78 | 1 | |
| 12 | 809095 | --RETAINER KIT, Electric Choke | NLA |
|
$0.00 | $0.00 | 1 | ||
| - | 809471A1 | WIRE KIT | NLA |
|
$0.00 | $0.00 | 1 |