| Ref # | Current Part Nbr |
Description | Superceded From |
Status | Notes | List Price |
Online Price |
Quan Used |
Order Quan |
|---|---|---|---|---|---|---|---|---|---|
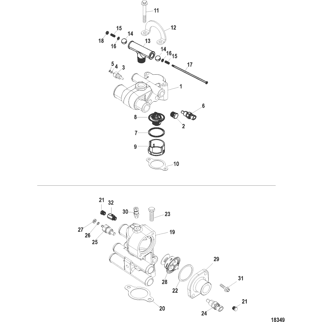
| 1 | 864592T | HOUSING ASSEMBLY, Thermostat | ACT |
|
$431.49 | $412.04 | 1 | ||
| 2 | 8M0180565 | PLUG, Pipe (.375-18) Brass | 32803 | SS |
|
$7.99 | $7.81 | 2 | |
| 3 | 806490T | SENDER | ACT | $41.49 | $40.58 | 1 | |||
| 3 | 49734 | SENDER, Dual Station | ACT |
|
$90.49 | $86.97 | OPT | ||
| 4 | 26996 | --LOCKWASHER, (#10) Stainless Steel | ACT | $1.20 | $1.18 | 1 | |||
| 5 | 68219 | --NUT, (#10-32) Stainless Steel | ACT | $2.99 | $2.92 | 1 | |||
| 6 | 805218T | SENSOR | ACT | $80.99 | $77.83 | 1 | |||
| 7 | 8M0238323 | GASKET, Thermostat Housing | 806871 | SS |
|
$10.20 | $9.95 | 1 | |
| 8 | 8M0109441 | THERMOSTAT, 71DegreeC (160 Degree F) | 807252T2 | SS |
|
$34.49 | $33.72 | 1 | |
| 9 | 8M0214947 | SLEEVE, Thermostat | 806922 | SS |
|
$17.89 | $17.46 | 1 | |
| 10 | 530451 | GASKET, Lower Thermostat Housing | ACT | $5.69 | $5.56 | 1 | |||
| 11 | 8M0113179 | SCREW, (.375-16 x 3.00) | 98508 | SS |
|
$8.19 | $8.00 | 2 | |
| 12 | 12552 | LIFTING EYE | ACT | $19.89 | $19.41 | 1 | |||
| 13 | 98477A2 | VALVE ASSEMBLY, Tee | ACT |
|
$108.99 | $102.34 | 1 | ||
| 14 | 98475 | --BALL, Nylon | ACT | $11.19 | $10.93 | 2 | |||
| 15 | 75533 | --SPRING | ACT | $2.99 | $2.92 | 2 | |||
| 16 | 89302 | --WASHER, (.203 x .406 x .040) | ACT | $1.80 | $1.76 | 2 | |||
| 17 | 98476 | --SCREW, (#10-32 x 6.00) | ACT | $7.49 | $7.32 | 1 | |||
| 18 | 8M0204718 | --NUT, (#10-32) Stainless Steel | 826709106 | SS |
|
$4.69 | $4.59 | 1 | |
| 19 | 864398T1 | HOUSING ASSEMBLY, Thermostat, Thermostat | ACT |
|
$430.49 | $411.36 | 1 | ||
| 20 | 530451 | --GASKET, Thermostat Housing | ACT | $5.69 | $5.56 | 2 | |||
| 21 | 8M0180565 | --PLUG, Pipe (.375-18) Brass | 32803 | SS |
|
$7.99 | $7.81 | 2 | |
| 22 | 8071341 | --SEAL, Thermostat | ACT | $9.89 | $9.66 | 1 | |||
| 23 | 68101 | SCREW, (.375-16 x 1.375) | ACT | $2.59 | $2.53 | 2 | |||
| 24 | 805218T | SENSOR | ACT | $80.99 | $77.83 | 1 | |||
| 25 | 806490T | SENDER, Coolant Temperature | ACT | $41.49 | $40.58 | 1 | |||
| 25 | 49734 | SENDER | ACT |
|
$90.49 | $86.97 | OPT | ||
| 26 | 26996 | --LOCKWASHER, (#10) Stainless Steel | ACT | $1.20 | $1.18 | 1 | |||
| 27 | 68219 | --NUT, (#10-32) Stainless Steel | ACT | $2.99 | $2.92 | 1 | |||
| 28 | 864493 | THERMOSTAT, 77°C (170°F) | ACT | $33.99 | $33.31 | 1 | |||
| 29 | 807075A1 | COVER, Thermostat | ACT | $230.49 | $216.67 | 1 | |||
| 30 | 818390 | DRAIN COCK | ACT | $20.39 | $19.97 | 1 | |||
| 31 | 29198 | SCREW AND LOCKWASHER, (.312-18 x .875) | ACT | $4.59 | $4.49 | 2 | |||
| 32 | 865525 | VALVE | ACT | $48.99 | $48.04 | 1 |