| Ref # | Current Part Nbr |
Description | Superceded From |
Status | Notes | List Price |
Online Price |
Quan Used |
Order Quan |
|---|---|---|---|---|---|---|---|---|---|
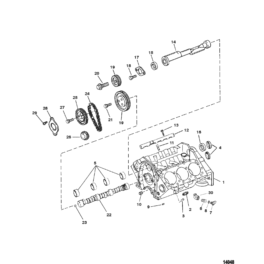
| 1 | NSS | NOT SOLD SEPARATE, Cylinder Block |
|
$0.00 | $0.00 | 1 | |||
| 2 | 34270 | --EXPANSION PLUG, (1.625) | ACT | $9.79 | $9.56 | 6 | |||
| 3 | 35465 | --PIN, Dowel (.312), Dowel | ACT | $6.99 | $6.83 | 6 | |||
| 4 | 72640 | --PLUG | ACT | $14.19 | $13.85 | 2 | |||
| 5 | 802999 | --BEARING SET | ACT | $82.99 | $78.17 | 1 | |||
| 6 | 8M0214973 | --BUSHING | 860088 | SS |
|
$12.79 | $12.49 | 2 | |
| 7 | 8M0119211 | --PLUG KIT, (.500-13) Royal Blue | 806608A1 | SS |
|
$10.19 | $9.95 | 2 | |
| 8 | 32509 | ----O-RING, (.489 x .070) | ACT | $2.39 | $2.33 | 2 | |||
| 9 | 42796 | --VALVE, Oil Filter Bypass | NLA |
|
$0.00 | $0.00 | 1 | ||
| 9 | 878050 | --VALVE | ACT |
|
$18.49 | $18.17 | 1 | ||
| 10 | 816565 | --PLUG, Pipe(.468) | ACT | $10.69 | $10.44 | 1 | |||
| 11 | 8118441 | LIFTER, Roller | ACT | $164.99 | $148.68 | 12 | |||
| 11 | 878051 | LIFTER, Roller | ACT |
|
$110.99 | $99.92 | 12 | ||
| 12 | 8243311 | RETAINER, Lifter | ACT | $51.99 | $48.89 | 2 | |||
| 13 | 8243321 | SCREW, (.312-18 x .625) | NLA |
|
$0.00 | $0.00 | 4 | ||
| 14 | 8241481 | BALANCED SHAFT | NLA |
|
$0.00 | $0.00 | 1 | ||
| 15 | NSS | --NOT SOLD SEPARATE, Bearing-Ball (Front) |
|
$0.00 | $0.00 | 1 | |||
| 16 | 8M0158199 | BEARING, Needle, Rear | 824150 | SS |
|
$168.99 | $152.13 | 1 | |
| 17 | 824153 | RETAINER, Balance Shaft | NLA |
|
$0.00 | $0.00 | 1 | ||
| 18 | 845943 | SCREW, (.250-20 x .500) | ACT | $7.09 | $6.93 | 2 | |||
| 19 | 8241511 | GEAR KIT | ACT | $314.99 | $283.68 | 1 | |||
| 20 | 824152 | SCREW | NLA |
|
$0.00 | $0.00 | 1 | ||
| 21 | 824329 | SCREW, (.312-18 x .750) | NLA |
|
$0.00 | $0.00 | 3 | ||
| 22 | 803186 | CAMSHAFT | ACT | $652.49 | $594.04 | 1 | |||
| 23 | 353121 | PIN, Dowel | NLA |
|
$0.00 | $0.00 | 1 | ||
| 24 | 8M0187687 | CHAIN, Timing | 17161T | SS |
|
$144.49 | $129.97 | 1 | |
| 24 | 883494 | CHAIN KIT, Timing | ACT |
|
$204.49 | $184.21 | 1 | ||
| 25 | 883494 | SPROCKET, Camshaft | 824328 | SS |
|
$204.49 | $184.21 | 1 | |
| 26 | 8M0184208 | SPROCKET, Crankshaft | 17160 | SS |
|
$74.49 | $70.08 | 1 | |
| 27 | 824329 | SCREW, (.312-18 x .750) | NLA |
|
$0.00 | $0.00 | 3 | ||
| 28 | 824333 | RETAINER, Camshaft | ACT | $37.99 | $37.32 | 1 | |||
| 29 | 824334 | SCREW, (.250-20 x .500) | ACT | $3.09 | $3.01 | 2 | |||
| 30 | 37682 | FITTING, Elbow (45 Degree) | ACT | $17.49 | $17.19 | 1 | |||
| - | 864256A1 | MARINE LONG BLOCK ENGINE | 862756A1 | SS |
|
$0.00 | $0.00 | 1 | |
| - | 864256A1 | MARINE LONG BLOCK ENGINE | 862757A1 | SS |
|
$0.00 | $0.00 | 1 | |
| - | 824326A02 | GASKET SET, Overhaul | 824326A96 | SS |
|
$965.49 | $878.90 | 1 | |
| - | 809825 | RTV SILICONE, (3 Ounce Tube) Metallic Blue | ACT | $21.99 | $21.57 | 1 | |||
| - | 8M0170149 | SEALING COMPOUND, (16 Ounce) | 342271 | SS |
|
$49.99 | $49.00 | 1 |